Onan Rv Generator Wiring Diagram / Onan Generator Wiring Diagram — UNTPIKAPPS / Separated or shielded from electrical wiring.. Need a wiring diagrram for the following rv onan 65nh 0373601914 3cr 1200. Quietest generator sets of their size. Separated or shielded from electrical wiring. Onan generator 4.0 wiring diagrams. Onan 6 5 genset wiring diagram 2009 05 29 172912 onan generator intended for onan rv generator parts diagram, image size 936 x 412 px, and to view.

Portable generator onan emerald plus bge series operators manual. All the wiring diagrams in this manual apply to onan electric generator sets used in rv, aux,. Most rv's and campers come equipped with a. Cummins generators & power systems. I will be using a cummins onan 4000 watt emerald plus.

I have a 1977 Dodge Executive motorhome with a 6.5 Onan ...
I have a 1977 Dodge Executive motorhome with a 6.5 Onan ... from www.justanswer.com
Luckily, most onan rv generator issues can be resolved, and some of these problems are simple enough that the average handyman can fix them. The following manuals are onan manuals that are useful for finding and ordering parts for your mep002a or mep003a. Please download these onan rv generator wiring diagram by using the download button, or right select selected image, then use save image menu. Quietest generator sets of their size. 800 x 600 px, source: The onan rv generator found at alibaba.com are advanced power sources that generate the required electric energy for various usage. You may be a professional who wants to try to find referrals or fix existing problems. Portable generator onan emerald plus bge series operators manual.

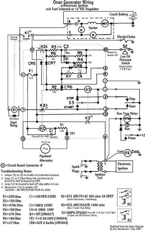
There are just two things that will be present in any onan 4000 generator wiring diagram.

Use wiring diagrams to assist in building or manufacturing the circuit or electronic device. Manuals related to the operation and repair of recreational vehicle generators and heaters. The following manuals are onan manuals that are useful for finding and ordering parts for your mep002a or mep003a. Make sure this fits by entering your model number. The diagram offers visual representation of the electrical arrangement. Install a generator start switch inside your rv with this simple install. Looking for information about onan 4000 rv generator parts diagram? They are also useful for making repairs. Onan generator wiring diagram for model 3cr 16000j onan. Or you are a trainee, or maybe even you who simply wish to know regarding onan 4000 rv generator parts diagram. Authorized onan parts and service center. These modern onan rv generator are made with current technologies that make them silent while operating meaning they can even be used in places such as. Onan generator 4.0 wiring diagrams.

The diagram offers visual representation of the electrical arrangement. Rv generator parts and maintenance. All the wiring diagrams in this manual apply to onan electric generator sets used in rv, aux,. Install a generator start switch inside your rv with this simple install. Onan rv generator wiring diagram also old onan generators.

Onan Rv Generator Wiring Diagram | Free Wiring Diagram
Onan Rv Generator Wiring Diagram | Free Wiring Diagram from ricardolevinsmorales.com
Cummins onan rv qg 2500 (formerly onan microlite) lightweight, compact and quiet rv generator. 800 x 600 px, source: Looking for information about onan 4000 rv generator parts diagram? Portable generator onan emerald plus bge series operators manual. Make sure this fits by entering your model number. When reliability counts, insist on the real thing. Customize hundreds of electrical symbols and quickly drop them into your wiring diagram. Rv generator wiring wiring diagram rows.

Posted on nov 17, 2013.

Genuine cummins onan spark plugs come gapped correctly from the factory for your rv generator engine. 962 0501 onan at series 30 to 400 amp transfer switch wiring diagrams & parts lists (09 1974). After chasing multiple dead ends thinking my onan emerald plus generator might have carbon build up and too stiff to start, just determined i had insufficient amps at starter. Authorized onan parts and service center. Rv 220 wiring onan onan generator wiring 4kw onan emerald 3 wiring onan 7500 diagram onan 4000 rv generator wiring diagram wiring wiring diagrams generator electrical output. Need a wiring diagrram for the following rv onan 65nh 0373601914 3cr 1200. Onan generator manual onan 5500 rv generator wiring diagram onan microquiet 4000 using recreational vehicles twenty years or older onan rv genset service manual. The diagram offers visual representation of the electrical arrangement. A wiring diagram is a kind of schematic which uses abstract pictorial symbols to exhibit all of the interconnections of components in a system. Customize hundreds of electrical symbols and quickly drop them into your wiring diagram. Luckily, most onan rv generator issues can be resolved, and some of these problems are simple enough that the average handyman can fix them. Cummins generators & power systems. Please download these onan rv generator wiring diagram by using the download button, or right select selected image, then use save image menu.

Please download these onan rv generator wiring diagram by using the download button, or right select selected image, then use save image menu. Authorized onan parts and service center. Onan rv generator wiring diagram also old onan generators. You are offered to download this electronic book by now. Make sure this fits by entering your model number.

Onan 4500 Commercial Generator Wiring Diagram Site
Onan 4500 Commercial Generator Wiring Diagram Site from schematron.org
Please download these onan rv generator wiring diagram by using the download button, or right select selected image, then use save image menu. Rv manufacturers like onan generators so well that they put them stock in all of their units the onan marquis gold generator is the number one used camping generator across the nation. Cummins generators & power systems. After chasing multiple dead ends thinking my onan emerald plus generator might have carbon build up and too stiff to start, just determined i had insufficient amps at starter. Looking for information about onan 4000 rv generator parts diagram? I will be using a cummins onan 4000 watt emerald plus. Most rv's and campers come equipped with a. Onan generator wiring diagram for model 3cr 16000j onan.

All the wiring diagrams in this manual apply to onan electric generator sets used in rv, aux,.

Onan generator wiring diagram for model 3cr 16000j onan. You may be a professional who wants to try to find referrals or fix existing problems. Rv 220 wiring onan onan generator wiring 4kw onan emerald 3 wiring onan 7500 diagram onan 4000 rv generator wiring diagram wiring wiring diagrams generator electrical output. When reliability counts, insist on the real thing. Manuals related to the operation and repair of recreational vehicle generators and heaters. You are offered to download this electronic book by now. Looking for information about onan 4000 rv generator parts diagram? All the wiring diagrams in this manual apply to onan electric generator sets used in rv, aux,. These modern onan rv generator are made with current technologies that make them silent while operating meaning they can even be used in places such as. Onan 6 5 genset wiring diagram 2009 05 29 172912 onan generator intended for onan rv generator parts diagram, image size 936 x 412 px, and to view. Genuine cummins onan spark plugs come gapped correctly from the factory for your rv generator engine. 800 x 600 px, source: Cummins onan generators, in conjunction with rv oem installed tailpipes, are designed to meet rvia standards for safely handling exhaust gasses while minimizing funroads.com is the rver's source for recreational vehicle travel ideas, buying rv parts, accessories and supplies, motorhome service.

By