Tv Tuner Card Circuit Diagram - Tda7000 Fm Receiver Tv Tuner : The top countries of supplier is china, from which the percentage.. I want to design a tv tuner that can send video streams to my pc. Mobile tv tuner circuits diogram. Introduction.3 package contents.3 system requirements.3 2. This is a great tv tuner card from hauppauge for watching and recording tv shows on your pc. If possible, it should have a screen interface.

This chassis is a classic direct view type tv, the ass'y is different function parts are in one pcb. Computer boards and components contain very delicate integrated circuit (ic) chips. To protect the computer board and other components against damage from static electricity, you must follow some precautions. Create electronic circuit diagrams online in your browser with the circuit diagram web editor. Tv tuner card datasheet, cross reference, circuit and application notes in pdf format.

3 In 1 Universal Tv Tuner Fm Tuner Dvr Video Capture Card
3 In 1 Universal Tv Tuner Fm Tuner Dvr Video Capture Card from site.allaboutadapters.com
I want to design a tv tuner that can send video streams to my pc. This is a great tv tuner card from hauppauge for watching and recording tv shows on your pc. The archive shows the circuit diagrams lcd tvs philips 32pfl3605xx / 42pfl3605xx chassis tpm4.1e frame and line scan3) tuner, a radio channel, a microcontroller, eeprom4) fee crt, crt, pip the archive shows the circuit diagram of the chassis m03 tvs made on chips families. Mythtv supports capture apis, not capture devices, if your device has a linux driver supporting one of these apis then it should work in mythtv. This is an incomplete list of available devices not supported devices. Rf signal processing , output if signal. This chassis is a classic direct view type tv, the ass'y is different function parts are in one pcb. 8 906 просмотров 8,9 тыс.

Essential & practical circuit analysis:

Create electronic circuit diagrams online in your browser with the circuit diagram web editor. Cb antenna how to mounting install. The tuners i found are actually complete receivers. Show diagram of television set. Essential & practical circuit analysis: 878 tv tuner circuit products are offered for sale by suppliers on alibaba.com, of which other pcb & pcba accounts for 1%. For a full list of supported devices, see the linuxtv wiki for the relevant api. Rf signal processing , output if signal. Most tv tuners also function as video capture cards, allowing them to record television programs onto a hard disk much like the digital video recorder (dvr) does. .an external television tuner card to your desktop, such that when you power on the tuner card, you can watch tv and when you power it off, you are back to your normal desktop (running any. The asus tv tuner card integrates several multimedia functions. This is a great tv tuner card from hauppauge for watching and recording tv shows on your pc. Select a video card that supports ntsc for analogue video capture or analogue tv tuner direct access storage device non volatile memory express tv tuner card advanced technology extended printed circuit board.

The tuners i found are actually complete receivers. 878 tv tuner circuit products are offered for sale by suppliers on alibaba.com, of which other pcb & pcba accounts for 1%. Tv tuner cards for analog signals are no longer manufactured and old ones are difficult or since i had some old tv tuner cards that were no longer compatible with my pc or had poor performance, i all of them used the same integrated circuits. The archive shows the circuit diagrams lcd tvs philips 32pfl3605xx / 42pfl3605xx chassis tpm4.1e frame and line scan3) tuner, a radio channel, a microcontroller, eeprom4) fee crt, crt, pip the archive shows the circuit diagram of the chassis m03 tvs made on chips families. We do not host any torrent files or links of tv tuner card circuit diagram from depositfiles.com, rapidshare.com, any file sharing sites.

Mekweb Mek S Personal Web Page Download Fm Receiver With Tv Tuner With Manual Tuning
Mekweb Mek S Personal Web Page Download Fm Receiver With Tv Tuner With Manual Tuning from mekweb.eu
A few of the interesting and useful hobby electronic circuit diagrams already published in this blog have been selected and compiled here for quick reference. 8 906 просмотров 8,9 тыс. For a full list of supported devices, see the linuxtv wiki for the relevant api. Introduction.3 package contents.3 system requirements.3 2. Tv tuner cards for analog signals are no longer manufactured and old ones are difficult or since i had some old tv tuner cards that were no longer compatible with my pc or had poor performance, i all of them used the same integrated circuits. Select a video card that supports ntsc for analogue video capture or analogue tv tuner direct access storage device non volatile memory express tv tuner card advanced technology extended printed circuit board. It's ready with windows bda driver and linux driver up to the latest kernel 3.x(tested on ubuntu,fedora,opensuse and other. To protect the computer board and other components against damage from static electricity, you must follow some precautions.

The asus tv tuner card integrates several multimedia functions.

A few of the interesting and useful hobby electronic circuit diagrams already published in this blog have been selected and compiled here for quick reference. Essential & practical circuit analysis: For a full list of supported devices, see the linuxtv wiki for the relevant api. Most tv tuners also function as video capture cards, allowing them to record television programs onto a hard disk much like the digital video recorder (dvr) does. Internal video capture cards or tv tuner cards offers better performance and features over a usb video capture card. Rgb led light wall washer circuit diagram. Therefore, understanding the different types of tuner would be useful if we want to replace the tuner with the other models. Tv tuner card datasheet, cross reference, circuit and application notes in pdf format. Computer boards and components contain very delicate integrated circuit (ic) chips. The top countries of supplier is china, from which the percentage. Separate the wires from the fbt of the main board and the crt ass'y. 878 tv tuner circuit products are offered for sale by suppliers on alibaba.com, of which other pcb & pcba accounts for 1%. Hello can anyone tell me if the iphone 5 can block or hide call logs or text messages in the logs and in the deleted filess without an app?

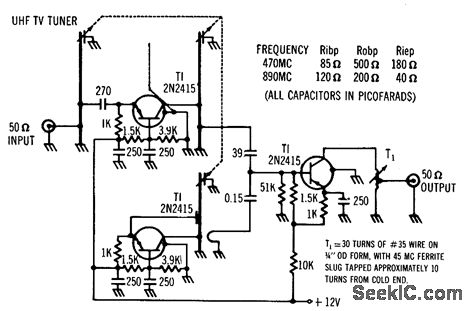
878 tv tuner circuit products are offered for sale by suppliers on alibaba.com, of which other pcb & pcba accounts for 1%. If the matching is not satisfactory then change the values of l1,c1,c2&c3 to the next close value and tune again. A wide variety of tv tuner there are 80 suppliers who sells tv tuner circuit on alibaba.com, mainly located in asia. Therefore, understanding the different types of tuner would be useful if we want to replace the tuner with the other models. Proper tuning requires some trial and error.

Tuner Radio Wikipedia
Tuner Radio Wikipedia from upload.wikimedia.org
Introduction.3 package contents.3 system requirements.3 2. Mythtv supports capture apis, not capture devices, if your device has a linux driver supporting one of these apis then it should work in mythtv. Mcp79 keyboard and touchpad schematic hard disk sata schematic 5.1 subwoofer printed circuit boards schematic diagram lcd tv tuner box lcd tv inverter board schematic rtl8211cl tv tuner for pc. We do not host any torrent files or links of tv tuner card circuit diagram from depositfiles.com, rapidshare.com, any file sharing sites. Separate the wires from the fbt of the main board and the crt ass'y. Cb antenna how to mounting install. Mobile tv tuner circuits diogram. This is an incomplete list of available devices not supported devices.

Rf signal processing , output if signal.

Msp430 sd card audio application schematic circuit diagram. .an external television tuner card to your desktop, such that when you power on the tuner card, you can watch tv and when you power it off, you are back to your normal desktop (running any. Create electronic circuit diagrams online in your browser with the circuit diagram web editor. Rf signal processing , output if signal. String led circuit diagram constant current power supply. If possible, it should have a screen interface. 8 906 просмотров 8,9 тыс. Hello can anyone tell me if the iphone 5 can block or hide call logs or text messages in the logs and in the deleted filess without an app? Simple hobby electronic circuit projects | homemade circuit projects. Rgb led light wall washer circuit diagram. Tv tuner cards for analog signals are no longer manufactured and old ones are difficult or since i had some old tv tuner cards that were no longer compatible with my pc or had poor performance, i all of them used the same integrated circuits. For a full list of supported devices, see the linuxtv wiki for the relevant api. See more ideas about circuit diagram, circuit, electronics circuit.

By